· Limit switches are used to ‘advise’ the dust collector controller that a gate is open.
· The limit switches operate on extra low voltage and hence do not require an electrician to connect.
· ABG use the NORMALLY CLOSED function of the limit switch. Do not use the NORMALLY OPEN function.

Inside the limit switch
%20Contacts.jpg/:/cr=t:12.41%25,l:0%25,w:100%25,h:75.19%25/rs=w:388,h:291.72932330827064,cg:true)
The normally closed contacts
Connect the other end of the speaker cable to the terminals on the front of the DUST COLLECTOR TIMER (VFD Option). Orientation doesn’t matter. The cable can connect either way.
For a general purpose DUST COLLECTOR TIMER the terminals are located on the side of the unit.

DUST COLLECTOR TIMER
(VFD Option)

DUST COLLECTOR TIMER/REMOTE
(GENERAL PURPOSE)
All connections for the DUST COLLECTOR TIMER (VFD Option) and VFD REMOTE CONTROL are extra low voltage and do not require an electrician.
The DUST COLLECTOR TIMER (VFD Option) uses a separate 240V power supply to provide the signalling power to the limit switches. The cables to the switches are only 12V DC so do not require an electrician to connect.
Most VFDs are fairly similar but these instructions are for Powtran VFDs in particular. If you have a different make of VFD and are uncertain of the connections please contact Auto Blast Gates for assistance.

DUST COLLECTOR TIMER
(VFD Option)

DUST COLLECTOR TIMER (VFD Option)
Unplug the VFD from the power and wait until the display goes blank.
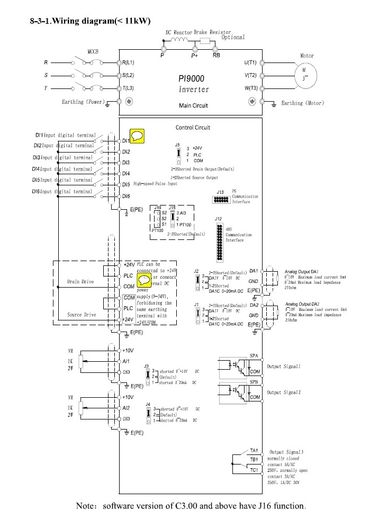
Take the bottom cover off the VFD so you can see the green terminal board and look for the terminals labelled DI1 and COM (indicated in the drawings to the right).
Wiring (For PI9000 and PI500 VFD)
Dust Collector Timer
The white wires, from the small silver plug, are connected to the terminals labelled DI1and COM . It doesn't matter which way around the wires are connected. Either way is fine.
Remote Control
The white wires, from the small silver plug, are connected to the terminals labelled DI1and COM . It doesn't matter which way around the wires are connected. Either way is fine.

Connections for VFD

Terminal Connections

INSTALLATION AND OPERATION OF THE AUTO BLAST GATE MK 5 GATE
PLEASE NOTE
Whenever the ABG Mk5 controller is correctly installed and switched on, it is in AUTO MODE. The OVERRIDE mode is to permit the use of the your connected dust collector for housekeeping etc but when the OVERRIDE mode is switched off the device automatically returns to AUTO MODE!
If you do not require the OVERRIDE MODE and wish to ensure that the controller can ONLY BE IN AUTO MODE then we supply another controller, the AUTO BLAST GATES Mk5X GATE CONTROLLER, where the OVERRIDE MODE is locked out and is only available by a key which is usually held by the designated session manager. The Mk5X is the ideal device for schools and other workshops where the operator may not always by relied upon to set the gate controller in AUTO MODE.
INSTALLATION
THE ABG Mk5 GATE CONTROLLER is a plug-and-play device and does not require an electrician to install. The ABG Mk5 usually plugs in to the power point that the machine currently uses and then the machine plugs into the ABG Mk5. The twin lead that comes out of the controller is 12volt and is connected to the connecting block on the gate that is marked ‘X. Y from control’. If the gate is operating in the opposite direction, simply swap the X and Y leads.
OPERATION
Once the controller is correctly installed and the OVERRIDE MODE is turned off, any machine or process that is plugged into the ABG Mk5 controller will, when turned on, initiate a signal that opens the gate. If the gate is operating in the opposite mode to what is required, simply swap the X and Y leads.